Кассетная дека AKAI GX-69 - медленная перемотка после профилактики
- Автор
- Сообщение
-
Не в сети
- Сообщения: 11
- Зарегистрирован: Ср мар 18, 2026 11:24 am
- Город: Москва
Кассетная дека AKAI GX-69 - медленная перемотка после профилактики
Всем доброго дня!
Имеется кассетная дека Akai GX-69.
Сразу после покупки была отдана мастеру на профилактику. Главная проблема была в том, что дека жевала некоторые кассеты (не все) левым подающим роликом.
Отдал мастеру, он сделал, как он говорит, полную профилактику, включая замену обоих роликов и настройку подтормаживания подающего узла. Ну и плюс всё, что еще положено делать.
Приехал домой и первым делом поставил кассету, чтобы убедиться, что дека ленту не жует :)
Но сначала включил перемотку вперед. Меня немного удивило, что кассета перематывалась со странным звуком, как будто туго идет. А когда перемоталось больше половины (в процессе перемотка постепенно замедлялась), перемотка вообще остановилась и сработал автостоп. Вытащил кассету, попробовал помотать от руки - ход был свободный. Пробовал перематывать несколько других кассет - то же самое, перемотка вперед идет “натужно”, а ближе к концу перемотка и вовсе останавливается, срабатывает автостоп.
Второй момент - при перемотке назад, когда крутит левая катушка, в целом мотает нормально, но всё равно на слух “туговато” и ближе к концу тоже замедляется, хотя и доматывает до конца.
Все кассеты от руки крутятся очень легко, в других моих деках мотаются на ура, тихо и бесшумно.
Конечно я сразу написал мастеру, приложив видео этого дела.
Не знаю смотрел ли он видео, но в ответ я получил ряд фраз, общий смысл которых сводился к тому:
1) У меня плохие кассеты
2) Так и должно быть (плохо перематывать и останавливаться), т.к.
3) Мотор уже старый и плохой, он деградирует и начинает хуже мотать
4) Подающий узел он настроил правильно и там всё хорошо
5) Он всё проверял и у него всё перематывало
6) У меня как обычно чудеса
7) Это какой бред :))
Я пробовал пальцем при перемотке вперед остановить приемную катушку - крутит она хорошо, с хорошим моментом, поэтому думаю, что дело не в ней. Кассеты точно нормальные, крутятся легко. Т.е. выходит, что дело в подающей катушке.
Собственно вопрос - при перемотках подтормаживание на подающем узле тоже работает? Или при перемотке подтормаживание должно каким-то образом отключаться?
Или правда дело в двигателе, который работает на перемотках?
Мастер просто тупо меня посылает и говорит, что плохая работа перемотки после профилактики это нормально :) И как всегда у него виноваты все и всё, кроме него, потому он точно всё проверил /немного крик души :))/
Заранее спасибо.
Имеется кассетная дека Akai GX-69.
Сразу после покупки была отдана мастеру на профилактику. Главная проблема была в том, что дека жевала некоторые кассеты (не все) левым подающим роликом.
Отдал мастеру, он сделал, как он говорит, полную профилактику, включая замену обоих роликов и настройку подтормаживания подающего узла. Ну и плюс всё, что еще положено делать.
Приехал домой и первым делом поставил кассету, чтобы убедиться, что дека ленту не жует :)
Но сначала включил перемотку вперед. Меня немного удивило, что кассета перематывалась со странным звуком, как будто туго идет. А когда перемоталось больше половины (в процессе перемотка постепенно замедлялась), перемотка вообще остановилась и сработал автостоп. Вытащил кассету, попробовал помотать от руки - ход был свободный. Пробовал перематывать несколько других кассет - то же самое, перемотка вперед идет “натужно”, а ближе к концу перемотка и вовсе останавливается, срабатывает автостоп.
Второй момент - при перемотке назад, когда крутит левая катушка, в целом мотает нормально, но всё равно на слух “туговато” и ближе к концу тоже замедляется, хотя и доматывает до конца.
Все кассеты от руки крутятся очень легко, в других моих деках мотаются на ура, тихо и бесшумно.
Конечно я сразу написал мастеру, приложив видео этого дела.
Не знаю смотрел ли он видео, но в ответ я получил ряд фраз, общий смысл которых сводился к тому:
1) У меня плохие кассеты
2) Так и должно быть (плохо перематывать и останавливаться), т.к.
3) Мотор уже старый и плохой, он деградирует и начинает хуже мотать
4) Подающий узел он настроил правильно и там всё хорошо
5) Он всё проверял и у него всё перематывало
6) У меня как обычно чудеса
7) Это какой бред :))
Я пробовал пальцем при перемотке вперед остановить приемную катушку - крутит она хорошо, с хорошим моментом, поэтому думаю, что дело не в ней. Кассеты точно нормальные, крутятся легко. Т.е. выходит, что дело в подающей катушке.
Собственно вопрос - при перемотках подтормаживание на подающем узле тоже работает? Или при перемотке подтормаживание должно каким-то образом отключаться?
Или правда дело в двигателе, который работает на перемотках?
Мастер просто тупо меня посылает и говорит, что плохая работа перемотки после профилактики это нормально :) И как всегда у него виноваты все и всё, кроме него, потому он точно всё проверил /немного крик души :))/
Заранее спасибо.
-
Не в сети
- Сообщения: 45
- Зарегистрирован: Ср янв 28, 2026 8:36 pm
- Город: Москва
Кассетная дека AKAI GX-69 - медленная перемотка после профилактики
Где ж вы находите таких мастеров или очень задешего ремонт обошелся..
-
Не в сети
- Сообщения: 11
- Зарегистрирован: Ср мар 18, 2026 11:24 am
- Город: Москва
Кассетная дека AKAI GX-69 - медленная перемотка после профилактики
Нет, не дешево.
Но дело совсем не в этом в данном случае.
Но дело совсем не в этом в данном случае.
-
Не в сети
- Сообщения: 45
- Зарегистрирован: Ср янв 28, 2026 8:36 pm
- Город: Москва
Кассетная дека AKAI GX-69 - медленная перемотка после профилактики
Кто мешает отвезти назад мастеру и проверить вместе с ним....
На всякий случай...вдруг вы не знаете...после полной профилактики аппарат должен работать во всех режимах...
-
Не в сети
- Сообщения: 11
- Зарегистрирован: Ср мар 18, 2026 11:24 am
- Город: Москва
Кассетная дека AKAI GX-69 - медленная перемотка после профилактики
Мешает мастер, который тупо отморозился. И кстати, я отвозил ему одновременно две деки, и со второй тоже есть проблемы. Но это другая история. Сейчас хотелось бы понять что с акаем. И должен ли тормоз на подающем узле влиять на перемотку.
Я в курсе, спасибо.Uru писал(а): Ср мар 18, 2026 11:48 am На всякий случай...вдруг вы не знаете...после полной профилактики аппарат должен работать во всех режимах...
-
Не в сети
- Сообщения: 66
- Зарегистрирован: Вт фев 10, 2026 10:40 am
- Город: Елец
Кассетная дека AKAI GX-69 - медленная перемотка после профилактики
Пассики и идлер мастер менял и что поставил? Если не резина это и есть проблема.
-
Не в сети
- Сообщения: 76
- Зарегистрирован: Ср янв 28, 2026 2:58 pm
- Город: Москва
Кассетная дека AKAI GX-69 - медленная перемотка после профилактики
Т.е. вы хотите оплатить еще один ремонт?
Согласно информации от фирмы изготовитела,. в инструкции по эксплуатации время перемотки кассеты С-60 80 секунд.
-
Не в сети
- Сообщения: 11
- Зарегистрирован: Ср мар 18, 2026 11:24 am
- Город: Москва
Кассетная дека AKAI GX-69 - медленная перемотка после профилактики
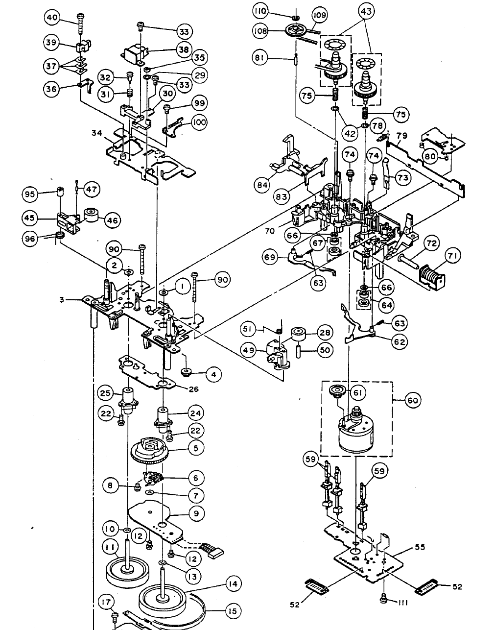
Пассики он менял. Про перемотку он сказал, что там шестеренчатая передача и типа проскальзывать там нечему. И если, как он выразился, некоторые кассеты не мотает, то это мотор.medtehnik писал(а): Ср мар 18, 2026 12:27 pm Пассики и идлер мастер менял и что поставил? Если не резина это и есть проблема.
В целом, общается он неадекватно, к сожалению. И постоянно заявляет, что он всё проверял и перематывало у него нормально.
Последний раз редактировалось HouseMD Ср мар 18, 2026 12:38 pm, всего редактировалось 1 раз.
-
Не в сети
- Сообщения: 11
- Зарегистрирован: Ср мар 18, 2026 11:24 am
- Город: Москва
Кассетная дека AKAI GX-69 - медленная перемотка после профилактики
Ну, во-первых, от этого деятеля, к сожалению, добиться чего-либо не получается. Да и я не уверен, что вообще хочу опять отдавать ему магнитофон.Однако писал(а): Ср мар 18, 2026 12:29 pm Т.е. вы хотите оплатить еще один ремонт?
Согласно информации от фирмы изготовитела,. в инструкции по эксплуатации время перемотки кассеты С-60 80 секунд.
-
Не в сети
- Сообщения: 76
- Зарегистрирован: Ср янв 28, 2026 2:58 pm
- Город: Москва
Кассетная дека AKAI GX-69 - медленная перемотка после профилактики
Однако если ремонтник не хочет выполнять свои обещания. по БЕСПЛАТНОМУ устранению своих недоделок.HouseMD писал(а): Ср мар 18, 2026 12:38 pm Да и я не уверен, что вообще хочу опять отдавать ему магнитофон.
То другой ремонтник это БЕСПЛАТНО делать не будет.
-
Не в сети
- Сообщения: 11
- Зарегистрирован: Ср мар 18, 2026 11:24 am
- Город: Москва
Кассетная дека AKAI GX-69 - медленная перемотка после профилактики
Я нигде не упоминал про бесплатность ремонта :)
Просто хотел для себя выяснить что можно было сделать не так, ведь до профилактики проблем с перемоткой не было...
Причем в разговоре мастер сказал, что он отрегулировал тормозное усилие на подающем узле, поэтому перемотка стала медленнее.
А так, понятное дело, буду искать другого мастера, который сможет это устранить.
-
Не в сети
- Сообщения: 23
- Зарегистрирован: Ср янв 28, 2026 2:59 pm
- Город: Санкт-Петербург
Кассетная дека AKAI GX-69 - медленная перемотка после профилактики
Ремонтник "съезжает", попросту - врёт. Торможение подающего узла призвано обеспечивать натяжение плёнки, ТОЛЬКО, в режиме воспроизведения. В вашем случае, налицо, пара возможных причин - либо механика ЛПМ не работает дОлжным образом, либо, действительно, электродвигатель нуждается в чистке и профилактике. Но, если я правильно понимаю, до вмешательств и ремонтов с перемоткой всё было в порядке? Если так, то попытаться склонить ремонтника к устранению неполадок.HouseMD писал(а): Ср мар 18, 2026 1:47 pm отрегулировал тормозное усилие на подающем узле, поэтому перемотка стала медленнее.
-
Не в сети
- Сообщения: 108
- Зарегистрирован: Сб янв 31, 2026 2:40 pm
- Город: Пермь
Кассетная дека AKAI GX-69 - медленная перемотка после профилактики
Видимо, неудачно отпрофилактировал. Идлеров там вроде действительно нет. Может он нанёс слишком густую смазку в подкатушечные узлы?
_________________
Ох уж эти сказочки, ох уж эти сказочники!
Ох уж эти сказочки, ох уж эти сказочники!
-
Не в сети
- Сообщения: 108
- Зарегистрирован: Чт янв 29, 2026 3:32 pm
- Город: Саранск
Кассетная дека AKAI GX-69 - медленная перемотка после профилактики
Сколько лет аппарату? Там каждые полчаса новая неисправность должна возникать. От старости. Детали лпм из азиатского пластика, которому срок службы отработать бы как-нибудь...
_________________
А вы ноктюрн сыграть могли бы на флейте водосточных труб?
А вы ноктюрн сыграть могли бы на флейте водосточных труб?
-
Не в сети
- Сообщения: 276
- Зарегистрирован: Чт янв 29, 2026 7:47 pm
- Город: VRN
Кассетная дека AKAI GX-69 - медленная перемотка после профилактики
30 (1998) минимум
-
Не в сети
- Сообщения: 33
- Зарегистрирован: Сб фев 14, 2026 5:37 pm
- Город: Самара
Кассетная дека AKAI GX-69 - медленная перемотка после профилактики
Да подменил запчасти. Нормальные снял, абы какие поставил. Ещё и денег наварил за якобы ремонт.
-
Не в сети
- Сообщения: 108
- Зарегистрирован: Чт янв 29, 2026 3:32 pm
- Город: Саранск
Кассетная дека AKAI GX-69 - медленная перемотка после профилактики
Они нормальными 20 лет назад были... может быть.
_________________
А вы ноктюрн сыграть могли бы на флейте водосточных труб?
А вы ноктюрн сыграть могли бы на флейте водосточных труб?
-
Не в сети
- Сообщения: 33
- Зарегистрирован: Сб фев 14, 2026 5:37 pm
- Город: Самара
Кассетная дека AKAI GX-69 - медленная перемотка после профилактики
Чё же они вдруг резко так перестали работать после "профилактики" ? Чудес не бывает, объяснение самое простое. Тем более этот "спец" отмораживается по принципу "сам дурак".
-
Не в сети
- Сообщения: 108
- Зарегистрирован: Чт янв 29, 2026 3:32 pm
- Город: Саранск
Кассетная дека AKAI GX-69 - медленная перемотка после профилактики
Обычное дело. Древний хлам обычно так и перестает работать, после "профилактики". Потревожили механизм разборкой-сборкой, он и посыпался во всех местах.alexander_kotovod писал(а): Ср мар 18, 2026 5:40 pm Чё же они вдруг резко так перестали работать после "профилактики" ?
Какие к шуту "нормальные" детали из азиатской пластмассы? Страшно представить из чего их японцы (и тем более китайцы) делали...
_________________
А вы ноктюрн сыграть могли бы на флейте водосточных труб?
А вы ноктюрн сыграть могли бы на флейте водосточных труб?
-
Не в сети
- Сообщения: 33
- Зарегистрирован: Сб фев 14, 2026 5:37 pm
- Город: Самара
Кассетная дека AKAI GX-69 - медленная перемотка после профилактики
Да ну? А чего же мои мафоны не перестали работать после разборок-сборок? Не посыпались? А они такие же древние, как этот акай.
-
Не в сети
- Сообщения: 108
- Зарегистрирован: Чт янв 29, 2026 3:32 pm
- Город: Саранск
Кассетная дека AKAI GX-69 - медленная перемотка после профилактики
Штудер разбирали или Электронику-302? Там пластика минимум, разваливаться нечему. А который есть, он не из отходов жизнедеятельности японских девственниц сделан.
_________________
А вы ноктюрн сыграть могли бы на флейте водосточных труб?
А вы ноктюрн сыграть могли бы на флейте водосточных труб?
-
Не в сети
- Сообщения: 33
- Зарегистрирован: Сб фев 14, 2026 5:37 pm
- Город: Самара
Кассетная дека AKAI GX-69 - медленная перемотка после профилактики
Какую электронику-302? Не понял.
Тут есть фотки моих мафонов. Тик-6030 разбирал, дракона разбирал, ревох-215 разбирал, дат сони-690 разбирал, электронику не разбирал.
Тут есть фотки моих мафонов. Тик-6030 разбирал, дракона разбирал, ревох-215 разбирал, дат сони-690 разбирал, электронику не разбирал.
-
Не в сети
- Сообщения: 15
- Зарегистрирован: Сб фев 07, 2026 12:29 pm
- Город: Екатер
Кассетная дека AKAI GX-69 - медленная перемотка после профилактики
Как говаривали раньше на диком Западе: Не стреляйте в ремонтника радиобарахла - он чинит, как умеет.
И в недовольного клиента тоже не стреляйте! Ведь часто и тот и другой - это немолодые люди предпенсионного и пенсионного возраста, каждый со своими проблемами и тараканами в голове...
И в недовольного клиента тоже не стреляйте! Ведь часто и тот и другой - это немолодые люди предпенсионного и пенсионного возраста, каждый со своими проблемами и тараканами в голове...
-
Не в сети
- Сообщения: 11
- Зарегистрирован: Ср мар 18, 2026 11:24 am
- Город: Москва
Кассетная дека AKAI GX-69 - медленная перемотка после профилактики
Я весьма далек даже от предпенсионного, а тем более пенсионного возраста :)
А мастер, коль уж берется что-то делать, не стесняясь брать за это весьма существенные деньги, должен обеспечить хотя бы в день выдачи работу аппарата... но это моё мнение, конечно. Наверняка даже неправильное...
В любом случае отбрёхиваться тут же, что магнитофон, неспособный банально перемотать кассету, это есть нормально - какое-то странное поведение. Даже если там сломался внезапно мотор прямо в момент выдачи.
Так или иначе тема была заведена не для обсуждения/осуждения мастера.
Но ок, благодаря теме я хотя бы узнал, что механизм подтормаживания не должен влиять на перемотку, как я и предполагал.
А мастер, коль уж берется что-то делать, не стесняясь брать за это весьма существенные деньги, должен обеспечить хотя бы в день выдачи работу аппарата... но это моё мнение, конечно. Наверняка даже неправильное...
В любом случае отбрёхиваться тут же, что магнитофон, неспособный банально перемотать кассету, это есть нормально - какое-то странное поведение. Даже если там сломался внезапно мотор прямо в момент выдачи.
Так или иначе тема была заведена не для обсуждения/осуждения мастера.
Но ок, благодаря теме я хотя бы узнал, что механизм подтормаживания не должен влиять на перемотку, как я и предполагал.
-
Не в сети
- Сообщения: 424
- Зарегистрирован: Пн янв 26, 2026 5:05 pm
- Город: Зеленоград
Кассетная дека AKAI GX-69 - медленная перемотка после профилактики
Не во всех агрегатах.HouseMD писал(а): Ср мар 18, 2026 7:08 pm благодаря теме я хотя бы узнал, что механизм подтормаживания не должен влиять на перемотку, как я и предполагал.
В некорторых подтормаживание подающего - всегда работает.
Все зависит от конретного аппарата и реализации данной функции в нем.
_________________
aleksejjklc@yandex.ru
aleksejjklc@yandex.ru

