Катушечный магнитофон Akai GX-220 - ослабить подмотку
- Автор
- Сообщение
-
Не в сети
- Сообщения: 20
- Зарегистрирован: Сб янв 31, 2026 6:14 pm
- Город: Санкт-Петербург
Катушечный магнитофон Akai GX-220 - ослабить подмотку
Здравствуйте! Есть проблема: во время воспроизведения лента вылезает из-под прижимного ролика. Сам ролик уже менял - никакого эффекта. Скорее даже от интенсивной работы износилась насадка тонвала. Хотя, визуально и наощуп износа не заметно.
Но, если ослабить подмотку (пробовал вручную) - то проблема исчезает.
Как бы её ослабить? Честно скажу, что в схемах не особо разбираюсь. Пытался смотреть, но не увидел никаких подстроечников.
https://disk.yandex.ru/i/lrBYBHNfHps25w
Но, если ослабить подмотку (пробовал вручную) - то проблема исчезает.
Как бы её ослабить? Честно скажу, что в схемах не особо разбираюсь. Пытался смотреть, но не увидел никаких подстроечников.
https://disk.yandex.ru/i/lrBYBHNfHps25w
-
Не в сети
- Сообщения: 12
- Зарегистрирован: Сб янв 31, 2026 1:58 am
- Город: Torzhok69Rus
Re: Катушечный магнитофон Akai GX-220 - ослабить подмотку
Есть подстроечник, ищите. Схемы из вашего сервизаdayna-records писал(а): Пн фев 02, 2026 11:59 am Пытался смотреть, но не увидел никаких подстроечников.
- Вложения
-
[Расширение png было запрещено, вложение больше недоступно.]
-
[Расширение png было запрещено, вложение больше недоступно.]
-
Не в сети
- Сообщения: 40
- Зарегистрирован: Ср янв 28, 2026 12:06 pm
- Город: г.Дубна МО
Re: Катушечный магнитофон Akai GX-220 - ослабить подмотку
На этой же стр.7 мануала есть замечательная таблица с граммами и вольтами, вот и проверьте соответствие.
-
Не в сети
- Сообщения: 20
- Зарегистрирован: Сб янв 31, 2026 6:14 pm
- Город: Санкт-Петербург
Re: Катушечный магнитофон Akai GX-220 - ослабить подмотку
Спасибо. Поищу ещё раз вечером. Видимо, он на одной из тех плат, что повёрнуты задом, т.е. чтобы до подстроечника добраться, нужно будет их снять. В схеме вижу изображения задних частей плат, но обозначения элементов не совпадает с тем, что указано на схеме (R003 нигде не вижу). Подскажите, пожалуйста, не на этой ли плате нужно искать:
-
Не в сети
- Сообщения: 12
- Зарегистрирован: Сб янв 31, 2026 1:58 am
- Город: Torzhok69Rus
Re: Катушечный магнитофон Akai GX-220 - ослабить подмотку
Напряжение в сети для начала не мешало бы померить. Если перевалило за 230-240 вольт- то и натяг увеличится, а если сейчас при этом напряжении натяжение приемного мотора уменьшите - то когда напруга будет в пределах 210-220 вольт- будет тянуть, так как натяг увеличится на подающем моторе. И этот подстроечник не на плате
-
Не в сети
- Сообщения: 20
- Зарегистрирован: Сб янв 31, 2026 6:14 pm
- Город: Санкт-Петербург
Re: Катушечный магнитофон Akai GX-220 - ослабить подмотку
Напряжение в сети в норме. Я уже запутался. Почему увеличится натяжение на подающем моторе? И если он не на плате, то где его искать? Визуально, сняв верхнюю и заднюю крышки никаких регуляторов не видно.
-
Не в сети
- Сообщения: 20
- Зарегистрирован: Сб янв 31, 2026 6:14 pm
- Город: Санкт-Петербург
Re: Катушечный магнитофон Akai GX-220 - ослабить подмотку
В пределах досягаемости никаких регуляторов не видно. Разве что они на плате, низ которой видео на первом фото. Но чтобы её хотябы развернуть боком, нужно отпаивать провода. Не может же быть, что регуляторы так спрятали?
Замерял напряжение (мерял на больших конденсаторах, к которым идут провода от моторов, между жёлтым проводом и зеленым с розовым на принимающем двигателе и между жёлтым и синим с зелёным на подающем двигателе). Получилось так: в режиме воспроизведения 120 В на принимающем и 60 В на подающем, т.е. в 2 раза больше, чем указано в инструкции. И около 150 В в режиме перемотки.
На последнем фото маленькая плата с релюшкой и двумя переключателями - это, я предполагаю, переключатели режимов 50/60 Гц, правда там не понятно, какое положение за какое отвечает.
-
Не в сети
- Сообщения: 20
- Зарегистрирован: Сб янв 31, 2026 6:14 pm
- Город: Санкт-Петербург
Re: Катушечный магнитофон Akai GX-220 - ослабить подмотку
Пообщался с ИИ от Гугла. С его помощью стало понятно, что нужно переключить тумблеры сзади в другое положение - для 50 Гц сети они должны быть в нижнем положении. Переключил. Теперь имею такие данные: 100 В при воспроизведении и 120 В при перемотке. Уже лучше, но всё равно много.
-
Не в сети
- Сообщения: 12
- Зарегистрирован: Ср янв 28, 2026 1:22 pm
- Город: Барнаул
Re: Катушечный магнитофон Akai GX-220 - ослабить подмотку
На Akai GX 220 переключатель выбора частоты сети в верхнем положении 50Hz в нижнем 60Hz.
На задней крышке (стенке) написано об этом.
На задней крышке (стенке) написано об этом.
-
Не в сети
- Сообщения: 12
- Зарегистрирован: Ср янв 28, 2026 1:22 pm
- Город: Барнаул
Re: Катушечный магнитофон Akai GX-220 - ослабить подмотку
Пардон!!! Ошибочка вышла это на GX 220D написано. На 220 ничего не насено 
-
Не в сети
- Сообщения: 20
- Зарегистрирован: Сб янв 31, 2026 6:14 pm
- Город: Санкт-Петербург
-
Не в сети
- Сообщения: 130
- Зарегистрирован: Чт янв 29, 2026 7:47 pm
- Город: VRN
Re: Катушечный магнитофон Akai GX-220 - ослабить подмотку
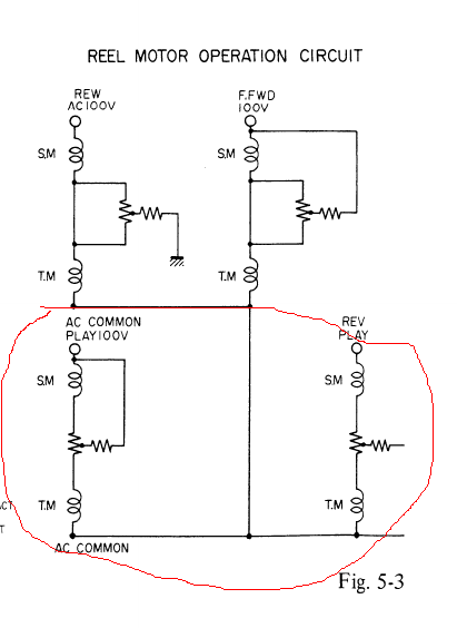
Имхо - нет там резисторов. Питание боковых двигателей регулируется переключением реле коммутирующим секции обмоток (RL0201 RL0401 - рис. 5.2 стр.7). Вкл. выкл. реле - ключами на транзисторах. А схема для боковых двигателей с применением "рег. резисторов" как бэ нарисована для понимания процесса. Таблица напряжений на боковых двигателях - стр.7. СМ. От частоты сети (50\60) зависит момент на двигателях (т.е. натяжение на боковых) и скорость зап\воспр (рег. RWD 22.5ком - рис. 5.1 стр.7) СМ. И при 50гц сети переключатель должен стоять в 50 а не туда где натяжение меньше. В данном случае не герцы надо подбирать а смотреть где дефект. Судя по видео некоторым - надо бы заменить банки емкостей на боковых приводах. Эти конденсаторы в фазосдвигающих цепят двигателей и они секционные . Если менять то не менее чем на 450В 5% допуска.
-
Не в сети
- Сообщения: 130
- Зарегистрирован: Чт янв 29, 2026 7:47 pm
- Город: VRN
Re: Катушечный магнитофон Akai GX-220 - ослабить подмотку
Это установка скорости рис. 5.1. стр.7 СМ
-
Не в сети
- Сообщения: 130
- Зарегистрирован: Чт янв 29, 2026 7:47 pm
- Город: VRN
Re: Катушечный магнитофон Akai GX-220 - ослабить подмотку
Надо ревизию ЛПМа делать с проверкой момента боковых узлов и прижимного ролика, а не герцы переключать.
-
Не в сети
- Сообщения: 20
- Зарегистрирован: Сб янв 31, 2026 6:14 pm
- Город: Санкт-Петербург
Re: Катушечный магнитофон Akai GX-220 - ослабить подмотку
Так на нём не написано, какое положение за что отвечает. Но ведь 100 В ближе к требуемым 60-ти, чем 120 В, что было при другом положении.Nogood писал(а): Чт фев 05, 2026 6:57 pm И при 50гц сети переключатель должен стоять в 50 а не туда где натяжение меньше.
Можете подсказать, где они находятся по фотографиям?Nogood писал(а): Чт фев 05, 2026 6:57 pm Судя по видео некоторым - надо бы заменить банки емкостей на боковых приводах. Эти конденсаторы в фазосдвигающих цепят двигателей и они секционные . Если менять то не менее чем на 450В 5% допуска.
Со скоростью движения ленты нет никаких проблем, всё более, чем точно.
Прижимной ролик в норме, на моём же Akai GX-260 он ведёт себя отлично.Nogood писал(а): Чт фев 05, 2026 6:57 pm Надо ревизию ЛПМа делать с проверкой момента боковых узлов и прижимного ролика, а не герцы переключать.
Подскажите, пожалуйста, может, есть возможность установить дополнительный резистор в цепь перед пусковым конденсатором, чтобы уменьшить напряжение на моторе?
-
Не в сети
- Сообщения: 20
- Зарегистрирован: Сб янв 31, 2026 6:14 pm
- Город: Санкт-Петербург
Re: Катушечный магнитофон Akai GX-220 - ослабить подмотку
Добавлю, что когда на приёмной катушке ленты становится чуть больше, то этот дефект исчезает. Т.е. уменьшением подмотки можно вылечить проблему.
-
Не в сети
- Сообщения: 20
- Зарегистрирован: Сб янв 31, 2026 6:14 pm
- Город: Санкт-Петербург
Re: Катушечный магнитофон Akai GX-220 - ослабить подмотку
ИИ советует использовать не резистор, а "балластный конденсатор": "Вам нужен неполярный пусковой/рабочий конденсатор (маркировка CBB60 или CBB65).
Номинал 70 мкФ на 400–450 В". - насколько такой совет верный?
Номинал 70 мкФ на 400–450 В". - насколько такой совет верный?
-
Не в сети
- Сообщения: 38
- Зарегистрирован: Вс фев 01, 2026 8:50 pm
- Город: Ростов
Re: Катушечный магнитофон Akai GX-220 - ослабить подмотку
Учитывая что родной для 50гц стоит 4 мкф ( в данном случае стоит двойной 3+1 мкф, 3 для 60гц) то 70 это как седло для коровы.
Замените конденсатор для начала на новый или попробуйте поменять местами с подающего движка. Как вариант поставьте для пробы с 260го.
Выглядят как большие белые банки, на фото видно их.
Замените конденсатор для начала на новый или попробуйте поменять местами с подающего движка. Как вариант поставьте для пробы с 260го.
Выглядят как большие белые банки, на фото видно их.
-
Не в сети
- Сообщения: 38
- Зарегистрирован: Вс фев 01, 2026 8:50 pm
- Город: Ростов
Re: Катушечный магнитофон Akai GX-220 - ослабить подмотку
Кстати, в режиме реверса такая же проблема?
-
Не в сети
- Сообщения: 20
- Зарегистрирован: Сб янв 31, 2026 6:14 pm
- Город: Санкт-Петербург
Re: Катушечный магнитофон Akai GX-220 - ослабить подмотку
На подающем также завышенное напряжение. Реверс там не работает, да он мне и не нужен на этом магнитофоне. Лезть в 260-й неохота, он работает без претензий.clockclub писал(а): Пт фев 06, 2026 2:17 pmпопробуйте поменять местами с подающего движка. Как вариант поставьте для пробы с 260го.
Выглядят как большие белые банки, на фото видно их.
Так идея установить дополнительный конденсатор неправильная? Или номинал неверно подобран?
-
Не в сети
- Сообщения: 38
- Зарегистрирован: Вс фев 01, 2026 8:50 pm
- Город: Ростов
Re: Катушечный магнитофон Akai GX-220 - ослабить подмотку
Номинал посчитали на заводе и менять его не вижу смысла. Проверьте трансформатор сетевой, возможно в нем проблема.
Дефект появился с течением времени или после вмешательства какого?
Дефект появился с течением времени или после вмешательства какого?
-
Не в сети
- Сообщения: 38
- Зарегистрирован: Вс фев 01, 2026 8:50 pm
- Город: Ростов
Re: Катушечный магнитофон Akai GX-220 - ослабить подмотку
Кстати, сто вольт на движках нормальное рабочее напряжение насколько помню, во всяком случае у моего 210го, а это по сути одно и тоже.
-
Не в сети
- Сообщения: 20
- Зарегистрирован: Сб янв 31, 2026 6:14 pm
- Город: Санкт-Петербург
Re: Катушечный магнитофон Akai GX-220 - ослабить подмотку
В инструкции указано 60 В при воспроизведении и 100 В при перемотке. В любом случае задача есть ослабить подмотку.
-
Не в сети
- Сообщения: 130
- Зарегистрирован: Чт янв 29, 2026 7:47 pm
- Город: VRN
Re: Катушечный магнитофон Akai GX-220 - ослабить подмотку
Не ослабить а усилить. Потому что либо левый узел слабо тянет влево (вместе с пружиннымна тяжителем) или правый плохо тянет вправо.dayna-records писал(а): Пт фев 06, 2026 5:24 pmВ инструкции указано 60 В при воспроизведении и 100 В при перемотке. В любом случае задача есть ослабить подмотку.
Натяжение левым - помимо подачи 100в(чтоб тянул по час. стрелке) на левый привод еще и определяется пружинным(рычажным) демпфером у которого от старости и могла ослабнуть пружина. Правый же на начальном участке длины ленты из за малого плеча момента (диаметр намотки мал) не обеспечивает натяжения после прижимного ролика. А с ростом диаметра намотанной ленты - момент растет и петля пропадает.Демпфер пружинный смотри...Аппарат по механике - примитивный а значит капризный в мех регулировках. А ты все герцы переключаешь... и ищешь "что подкрутить" а крутить нечего.
-
Не в сети
- Сообщения: 38
- Зарегистрирован: Вс фев 01, 2026 8:50 pm
- Город: Ростов
Re: Катушечный магнитофон Akai GX-220 - ослабить подмотку
Если речь о рычаге перед блоком головок, то он на натяжение ни как не влияет. Рычаг автостопа, тоже.
Аппарат трёхмоторный, боковые двигатели без дополнительных механических и электронных регулировок как к примеру у идели 001 или Электроник-олимпов.
Аппарат трёхмоторный, боковые двигатели без дополнительных механических и электронных регулировок как к примеру у идели 001 или Электроник-олимпов.
