Лет 20 назад попался бесперебойник дохлый. 4 разьёма прям шнамекали на то, что в нём можно было сделать. Решил вспомнить молодость.
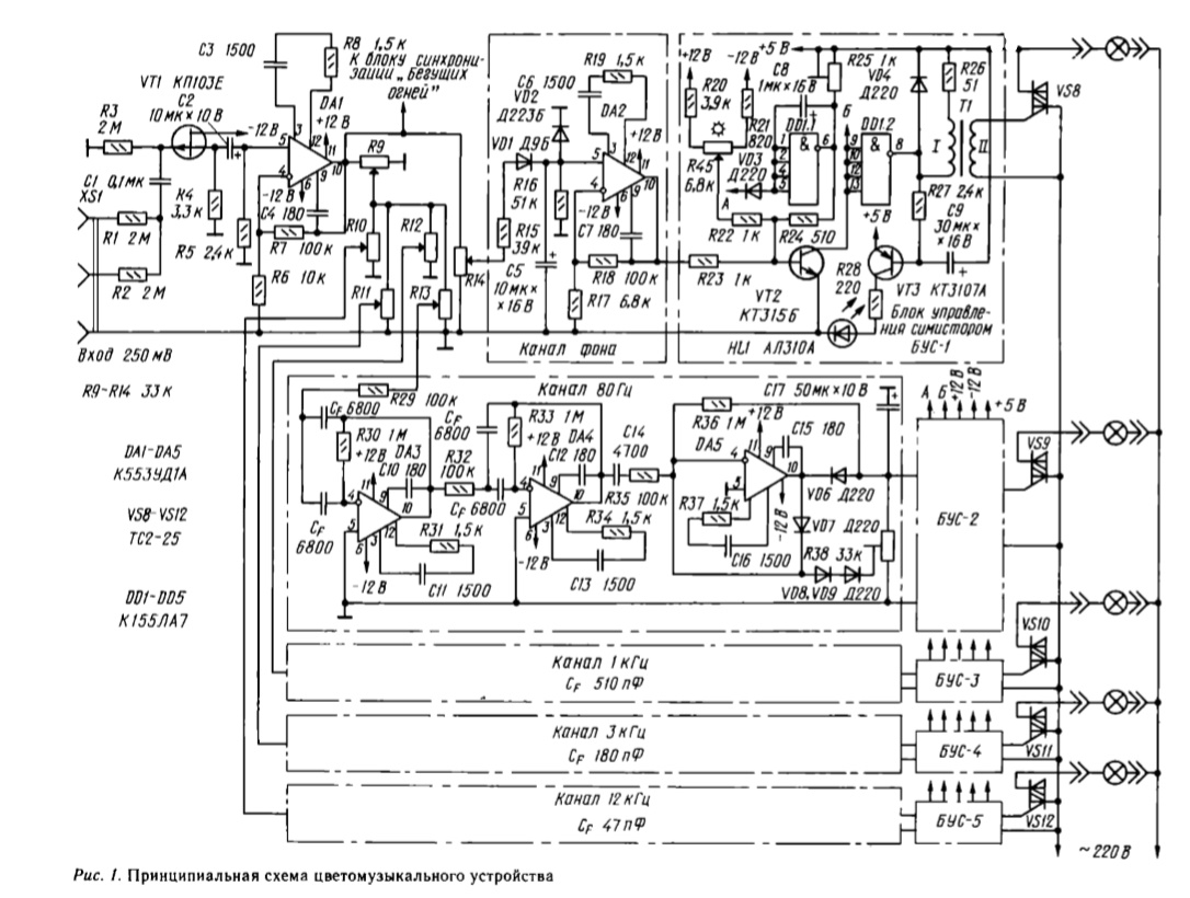
ЦМУ в бесперебойнике
- Автор
- Сообщение
-
Не в сети
- Сообщения: 179
- Зарегистрирован: Вт мар 17, 2026 11:36 am
- Город: Lahr
-
Не в сети
- Сообщения: 179
- Зарегистрирован: Вт мар 17, 2026 11:36 am
- Город: Lahr
ЦМУ в бесперебойнике
А переднею панелку так и не сделал, энтузиазм закончился. 
-
Не в сети
- Сообщения: 120
- Зарегистрирован: Сб фев 07, 2026 11:22 am
- Город: Кирово-Чепецк
ЦМУ в бесперебойнике
В кружке радиоэлектроники, в начале 80-х годах, паял самую простейшую трехканальную ЦМУ на КУ202Н. Благо, все предоставлялось "Клубом Юных Техников".
Гораздо позже, когда служил в СА, в ВВС, в Одессе; попал в часть 03232, подразделение 93922. Занимались ремонтом радиостанций; самолетных и ВМФ; даже приходилось ремонтировать "пехотные" радиостанции Р-105.
Что-то нахлынули воспоминания...
Так вот - решил я сделать "очень крутую цветомузыку". Купил на "блошином" рынке усилитель Вега-120, (без начинки), и купил симисторы КУ208Г.
Но хотелось чего-то большего...
Капитан Кравченко сказал, что тоже давно увлекается цветомузыкой; и посоветовал, что вместо "мигалок", нужно еще одно направление - "бегущий огонь".
И "подарил"\продал мне микросхему ПЗУ К537РФ2 с зашитой программой на 8 каналов, за 5 р.
Там было 32 направления; очень неожиданное направление. Я не знал слово "энкодер", и регулировал простым переменником...

Гораздо позже, когда служил в СА, в ВВС, в Одессе; попал в часть 03232, подразделение 93922. Занимались ремонтом радиостанций; самолетных и ВМФ; даже приходилось ремонтировать "пехотные" радиостанции Р-105.
Что-то нахлынули воспоминания...
Так вот - решил я сделать "очень крутую цветомузыку". Купил на "блошином" рынке усилитель Вега-120, (без начинки), и купил симисторы КУ208Г.
Но хотелось чего-то большего...
Капитан Кравченко сказал, что тоже давно увлекается цветомузыкой; и посоветовал, что вместо "мигалок", нужно еще одно направление - "бегущий огонь".
И "подарил"\продал мне микросхему ПЗУ К537РФ2 с зашитой программой на 8 каналов, за 5 р.
Там было 32 направления; очень неожиданное направление. Я не знал слово "энкодер", и регулировал простым переменником...
-
Не в сети
- Сообщения: 179
- Зарегистрирован: Вт мар 17, 2026 11:36 am
- Город: Lahr
ЦМУ в бесперебойнике
s.k.,
Наскольме мне говорит опыт, на дискотеках лучше идут автоматы с случайным переключением ламп синхронизированые с музыкой.
Наскольме мне говорит опыт, на дискотеках лучше идут автоматы с случайным переключением ламп синхронизированые с музыкой.
-
Не в сети
- Сообщения: 10
- Зарегистрирован: Пн фев 09, 2026 11:14 am
- Город: Севастополь
ЦМУ в бесперебойнике
Вообще, корпуса от бесперебойников - самые крутые железяки, которые только можно найти среди бросового компьютерного железа.
У меня в таком же корпусе собран ПК для управления фрезером. Туда же поместились драйверы для двигателей и частотник для шпинделя.
У меня в таком же корпусе собран ПК для управления фрезером. Туда же поместились драйверы для двигателей и частотник для шпинделя.
_________________
Резка, гравировка
Резка, гравировка
-
Не в сети
- Сообщения: 179
- Зарегистрирован: Вт мар 17, 2026 11:36 am
- Город: Lahr
ЦМУ в бесперебойнике
_ALS_,
Согласен
Согласен
