Бриг 001 ремонт третьей версии.
- Автор
- Сообщение
-
Не в сети
- Сообщения: 20
- Зарегистрирован: Пн фев 16, 2026 6:53 pm
- Город: СПБ
Бриг 001 ремонт третьей версии.
Здравствуйте! Вопрос к коллективному разуму. Достался бриг третьей версии. Конденсаторы все новые. Один канал работает , второй был дохлый. Были дохлые выходные транзисторы , кт818 , кт819 . Заменил на новые , канал заработал , но есть проблема , транзисторы эти нагреваются за 10 секунд даже без нагрузки. Звук воспроизводит нормально без проблем , но так он явно сгорит. Без оконечного каскада , на кт961 , кт626 работает , естественно не выдавая полную мощность. Измерил ток покоя в рабочем канале , там примерно норма , в этом канале зашкаливает и не убавляется подстроечным резистором. В чём может быть проблема? Думаю на транзистор кт961 по схеме vt10 , но возможно ошибаюсь. Аппарат с такой проблемой уже не первый попадается и глюк примерно один. Уже несколько было с такими симптомами и не могу понять где глюк. Кто-то может подсказать , что и в каком направлении копать?
-
Не в сети
- Сообщения: 83
- Зарегистрирован: Ср янв 28, 2026 5:08 am
- Город: Казахстан г.Павлодар
Бриг 001 ремонт третьей версии.
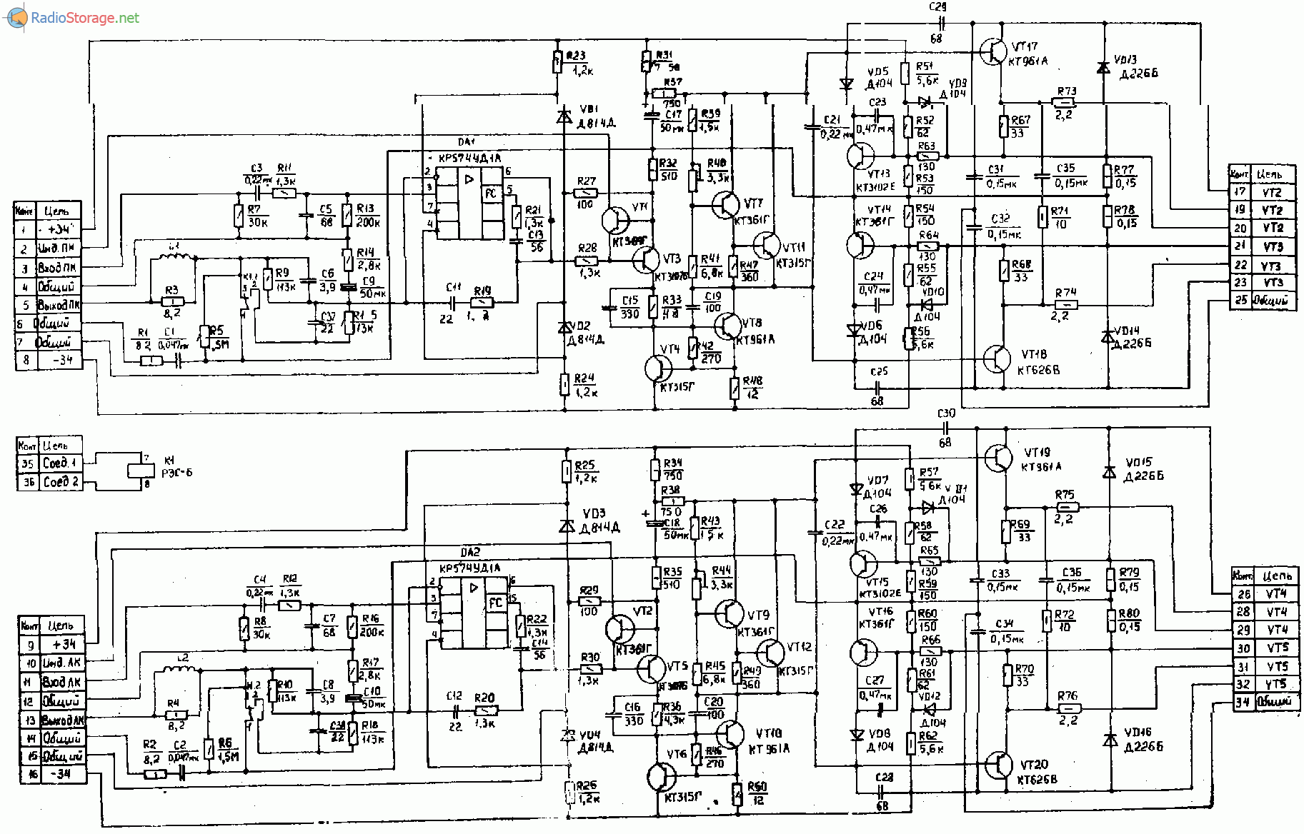
Схему бы закинул чтоб не искать.
_________________
всем здравия .Казахстан г. Павлодар
всем здравия .Казахстан г. Павлодар
-
Не в сети
- Сообщения: 20
- Зарегистрирован: Пн фев 16, 2026 6:53 pm
- Город: СПБ
-
Не в сети
- Сообщения: 83
- Зарегистрирован: Ср янв 28, 2026 5:08 am
- Город: Казахстан г.Павлодар
Бриг 001 ремонт третьей версии.
Два транзистора ,термокомпенсации посмотри.
_________________
всем здравия .Казахстан г. Павлодар
всем здравия .Казахстан г. Павлодар
-
Не в сети
- Сообщения: 20
- Зарегистрирован: Пн фев 16, 2026 6:53 pm
- Город: СПБ
Бриг 001 ремонт третьей версии.
Это которые по схеме будут?
-
Не в сети
- Сообщения: 108
- Зарегистрирован: Сб янв 31, 2026 2:40 pm
- Город: Пермь
Бриг 001 ремонт третьей версии.
А на осциллограмме то что? Может самовозбуждение? Транзисторы проверяли? Бывает, там мелкие конденсаторы дохнут, которые на Пф... Ну, электролиты то наверное заменены все.
_________________
Ох уж эти сказочки, ох уж эти сказочники!
Ох уж эти сказочки, ох уж эти сказочники!
-
Не в сети
- Сообщения: 20
- Зарегистрирован: Пн фев 16, 2026 6:53 pm
- Город: СПБ
Бриг 001 ремонт третьей версии.
Осцилографом нет возможности посмотреть. Выходные транзисторы поставил новые. Старые в к.з. были. Электролитов там на канал всего по паре стоит и они новые.
-
Не в сети
- Сообщения: 108
- Зарегистрирован: Сб янв 31, 2026 2:40 pm
- Город: Пермь
Бриг 001 ремонт третьей версии.
Так кроме выходных - есть и другие транзисторы. Вылет выходников - как правило следствие, а не причина... Если идёт самовозбуждение, то картина может быть подобная вашей. На худой конец, просто сравнивайте режимы работы в живом и дохлом канале. Причин может быть много.
_________________
Ох уж эти сказочки, ох уж эти сказочники!
Ох уж эти сказочки, ох уж эти сказочники!
-
Не в сети
- Сообщения: 83
- Зарегистрирован: Ср янв 28, 2026 5:08 am
- Город: Казахстан г.Павлодар
-
Не в сети
- Сообщения: 20
- Зарегистрирован: Пн фев 16, 2026 6:53 pm
- Город: СПБ
Бриг 001 ремонт третьей версии.
alexsan, Спасибо , так и думал. Выходные опять вылетели. И что интересно без них работает нормально , единственное мощность всю не выдаёт. Обычно при таких симптомах меняешь выходные транзисторы и всё начинает работать без проблем , но так в первой версии , а вот третья вечно проблемы подкидывает. Такое впечатление как будто какая то недоработка конструктивная.
-
Не в сети
- Сообщения: 20
- Зарегистрирован: Пн фев 16, 2026 6:53 pm
- Город: СПБ
Бриг 001 ремонт третьей версии.
Relanium, Я это прекрасно понимаю , но выпаивать каждый транзистор и проверять и так по сто раз и пытаться починить методом тыка не лучший вариант. Начнут дорожки отваливаться , а перепахать весь усилитель с неизвестным исходом желания нет. И режимы сравнивать тоже не лучший вариант.
-
Не в сети
- Сообщения: 11
- Зарегистрирован: Вс фев 08, 2026 8:26 pm
- Город: самара
Бриг 001 ремонт третьей версии.
на базах предвыходного надо плюс минус 1.4-1.6 вольт.
-
Не в сети
- Сообщения: 175
- Зарегистрирован: Сб фев 07, 2026 7:50 pm
- Город: калуга
Бриг 001 ремонт третьей версии.
Один канал ведь рабочий? зачем выпаивать всё подряд? Берём и сравниваем режимы транзисторов с рабочим каналом, записываем на бумажку, потом думаем. Включаем через лампочку. Мультиметр ведь есть.
-
Не в сети
- Сообщения: 20
- Зарегистрирован: Пн фев 16, 2026 6:53 pm
- Город: СПБ
Бриг 001 ремонт третьей версии.
Игорь40, Очень хороший совет! Вы прежде чем это советовать посмотрите на конструкцию. Чтоб всё это сравнивать надо измерять тестером , для этого надо подлезть к дорожкам , они между платой и радиатором , а провода от транзисторов , которые на радиаторе стоят короткие. Замучаешься подлезть , не везде подлезешь , да ещё и сто процентов что-то замкнёшь , когда щуп соскочет или ещё что-то сдвинется куда-то. Конструкция крайне неудобна , особенно эта третья версия.
-
Не в сети
- Сообщения: 108
- Зарегистрирован: Сб янв 31, 2026 2:40 pm
- Город: Пермь
Бриг 001 ремонт третьей версии.
Плата снимается вместе с радиатором, можно и радиатор открутить от платы. Вроде на фото как раз третья версия, когда-то ремонтировал давно, фото осталось. Получается, у Вас нет приборов, с которыми можно найти неисправность, банально генератор и осциллограф, при этом Вы не желаете пойти практически единственным путём, сравнивая режимы и проверять остальные детали. Так что Вы хотите то, тут экстрасенсов нет, так то. Причин выхода из строя выходного каскада может быть много и все разные.
_________________
Ох уж эти сказочки, ох уж эти сказочники!
Ох уж эти сказочки, ох уж эти сказочники!
-
Не в сети
- Сообщения: 20
- Зарегистрирован: Пн фев 16, 2026 6:53 pm
- Город: СПБ
Бриг 001 ремонт третьей версии.
Relanium, Я прекрасно знаю как и что откручивается! Если вы не помните , то сообщаю вам , что выходные транзисторы стоят на радиаторе , а провода от них впаяны в плату и они не дают нормально отвести плату от радиатора так как короткие. Приборы есть , только это не космический корабль чтоб искать неисправность с осцилографом и кучей приборов. Я эту технику ремонтирую 30 лет и 99 процентов ремонтируется нормально с одним тестером и паяльником. Это просто версия неудачная и неудобная в ремонте.
-
Не в сети
- Сообщения: 6
- Зарегистрирован: Вт фев 10, 2026 5:41 pm
- Город: Рубцовск
Бриг 001 ремонт третьей версии.
Тогда если Вы 30 лет ремонтируете, то должны знать что причин может быть масса. Откидываете радиатор с платами и не откручивая плат приходитесь по точкам.
А если нужно гадание на кофейной гуще, то: замените предвыходные. Но это не точно) Для точности нужны замеры тем же осциллографом или мультиметром.
Если не желаете идти простым путём, то накидаю ещё с десяток вероятных причин выхода из строя. Будите плату снимать каждый раз для "метода тыка"?
А если нужно гадание на кофейной гуще, то: замените предвыходные. Но это не точно) Для точности нужны замеры тем же осциллографом или мультиметром.
Если не желаете идти простым путём, то накидаю ещё с десяток вероятных причин выхода из строя. Будите плату снимать каждый раз для "метода тыка"?
-
Не в сети
- Сообщения: 175
- Зарегистрирован: Сб фев 07, 2026 7:50 pm
- Город: калуга
Бриг 001 ремонт третьей версии.
А вы думаете я этого не делал никогда? Разберите усилитель, разверните радиатор открутив заднюю панель, подложите куда нужно пакет чтобы не замкнуть что либо и меряйте. Или вы думаете что починить можно ничего не разбирая? Бриг это фигня, всё нормально разбирается. Вы не видели усилителя Форум, вот там да, бедаBeavis писал(а): Вс мар 08, 2026 8:38 pm когда щуп соскочет или ещё что-то сдвинется куда-то. Конструкция крайне неудобна , особенно эта третья версия.
-
Не в сети
- Сообщения: 175
- Зарегистрирован: Сб фев 07, 2026 7:50 pm
- Город: калуга
Бриг 001 ремонт третьей версии.
Сомневаюсь что вы ремонтируете 30 лет раз такое пишите. Только без обид. Я этих Барков и Бригов только за прошлую неделю сделал 3 штуки, у одного пришлось весь трансформатор разбирать, отпаивать все выводы стягивать железо и собирать все заново, на все это у меня ушло не более двух часов неспешной работы и поверьте разобрать заднюю часть не сложнее разборки транса.Вообще без разборки мало что ремонтируется селектор входов у Брига обслужить тоже ведь нужно разобрать и отпаять некоторые провода чтобы удобно было менять кондёры к примеру. Дерзайте, лёгких путей не бывает.Beavis писал(а): Вс мар 08, 2026 10:04 pm Я эту технику ремонтирую 30 лет и 99 процентов ремонтируется нормально с одним тестером и паяльником.
-
Не в сети
- Сообщения: 15
- Зарегистрирован: Сб фев 07, 2026 12:29 pm
- Город: Екатер
Бриг 001 ремонт третьей версии.
Да, без осцилла в таких случаях непросто, особенно при подозрении на генерацию.
Но вот я в таких случаях как раз пробую искать именно нетрудные пути. Ведь вполне можно что-то померять и без разборки. Например, такой важный параметр как напряжение смещения на базах предвыходных (как уже написали выше). Чтобы ничего случайно не коротнуть, для замера можно вывести два проводочка, припаянных к С22 (чтобы не разбирать, можно припаяться со стороны деталей). На них должно быть около 2.3 вольта (или меньше) и меняться при вращении R44. В неисправном канале будет заметно больше - и тогда, конечно, под подозрением VT9,12 (как опять же уже упоминалось). Все эти замеры можно делать как с подключенными выходными транзисторами, так и без них, большого расхождения быть не должно.
И можно пойти "простым путем" еще дальше - к этим двум проводочкам припаять переменный резистор, имеющийся в хозяйстве. И получится "дублер" подстроечника, которым скорее всего можно будет выставить нормальный ток покоя даже при неисправности в цепи с VT9,12. Или уменьшить хоть до нуля. Также можно будет косвенно судить о наличии возбуда - при его наличии скорее всего будет резкий скачок тока покоя при вращении переменного резистора.
Но вот я в таких случаях как раз пробую искать именно нетрудные пути. Ведь вполне можно что-то померять и без разборки. Например, такой важный параметр как напряжение смещения на базах предвыходных (как уже написали выше). Чтобы ничего случайно не коротнуть, для замера можно вывести два проводочка, припаянных к С22 (чтобы не разбирать, можно припаяться со стороны деталей). На них должно быть около 2.3 вольта (или меньше) и меняться при вращении R44. В неисправном канале будет заметно больше - и тогда, конечно, под подозрением VT9,12 (как опять же уже упоминалось). Все эти замеры можно делать как с подключенными выходными транзисторами, так и без них, большого расхождения быть не должно.
И можно пойти "простым путем" еще дальше - к этим двум проводочкам припаять переменный резистор, имеющийся в хозяйстве. И получится "дублер" подстроечника, которым скорее всего можно будет выставить нормальный ток покоя даже при неисправности в цепи с VT9,12. Или уменьшить хоть до нуля. Также можно будет косвенно судить о наличии возбуда - при его наличии скорее всего будет резкий скачок тока покоя при вращении переменного резистора.
-
Не в сети
- Сообщения: 20
- Зарегистрирован: Пн фев 16, 2026 6:53 pm
- Город: СПБ
Бриг 001 ремонт третьей версии.
Большое спасибо всем! Отдельное спасибо тем , кто советует с аргументами и по факту , а не подбрасывает как говорят на вентилятор. Буду разбираться. Хочется сделать , а то уже не первый аппарат лежит со схожей проблемой.
