Усилитель Videoton EA7686-S

Импортная аппаратура
Ответить
  • Автор
  • Сообщение
MVV
Не в сети
Сообщения: 3
Зарегистрирован: Чт фев 12, 2026 5:46 pm
Город: Уфа

Усилитель Videoton EA7686-S

Сообщение MVV »

Усилитель Videoton EA7686-S. Полностью исправен. Нагрузка 4-16Ом. Мощность 2*50Вт(8Ом). Диапазон частот 15Гц-40КГц.КНИ 0,06%. Чувствительность 500мВ, фонокорректор 5мВ.Входные разьемы RCA и DIN5. На входе электронный коммутатор. Есть вход Monitor, сигнал идет на предварительный усилитель сразу, минуя коммтатор. Темброблок отключаемый. Флуоресцентный индикатор выходной мощности. По внешнему виду на 5- из 5. На верхней крышке в одной точке отбита краска. На пластике индикатора несколько пятен, особых усилий отчистить не прилагал, моющим средством не отмылись. Все переменные резисторы и переключатели были разобраны, очищены и смазаны. Конденсаторы фильтра питания заменил на Samwha 10000мкф, в оригинале было 4700. Параллельно электролитам фильтров установлены пленочные. Также заменен диодный мост выпрямителя на больший ток. Электролиты по звуку были убраны и заменены на пленочные. В УМ заменены подстроечники на многооборотные и перевыставлен ток покоя. Оплата на карту Сбера или ВТБ. Хорошо запакую. Отправлю почтой, постамат 5пост, Озон. Цена 10000р.

Не в сети
Сообщения: 11
Зарегистрирован: Сб фев 21, 2026 10:14 pm
Город: москва

Усилитель Videoton EA7686-S

Сообщение Алекс бабай »

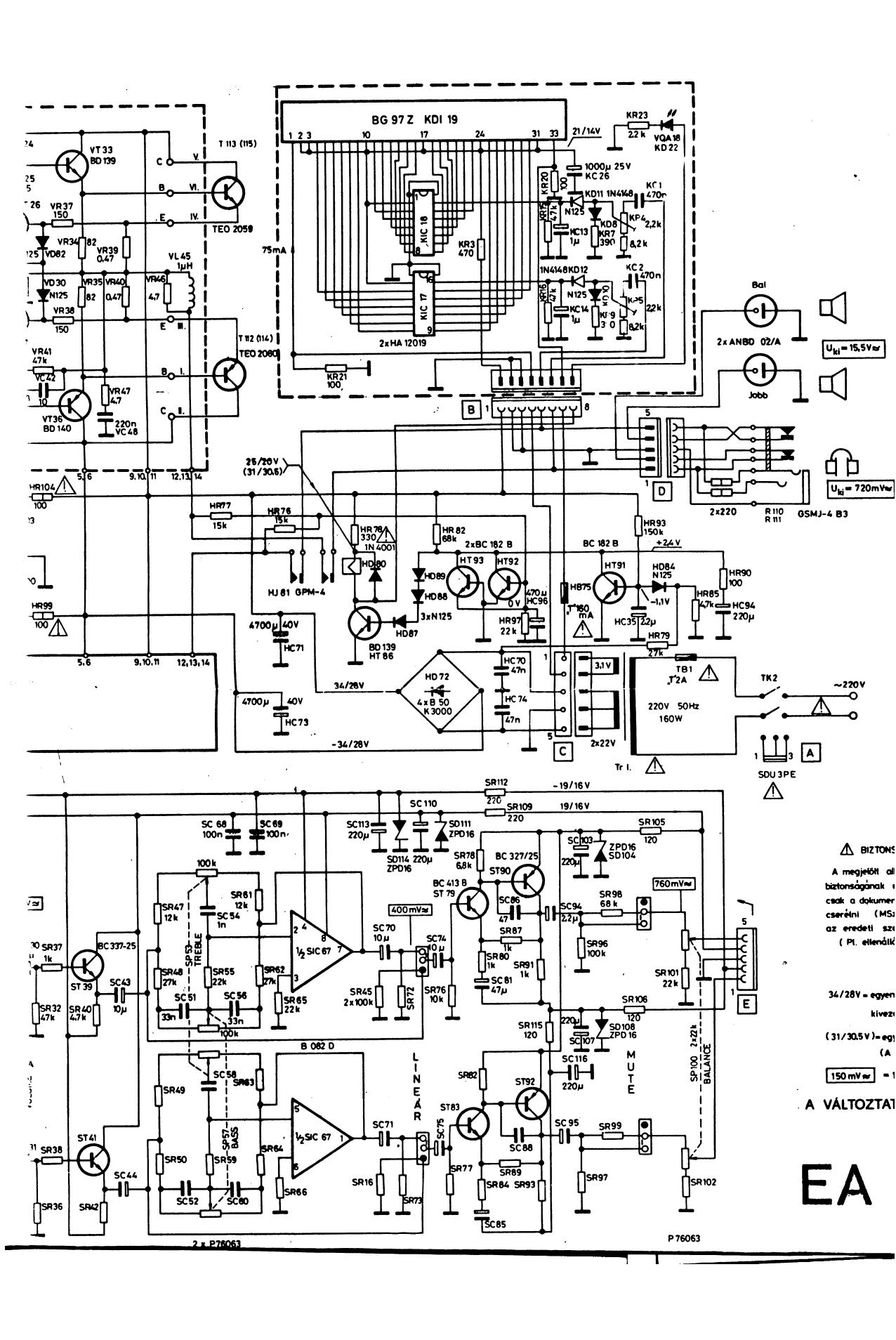
Интересно бы схему посмотреть, в том числе с отсутствующими на передней плате компонентами.

MVV
Не в сети
Сообщения: 3
Зарегистрирован: Чт фев 12, 2026 5:46 pm
Город: Уфа

Усилитель Videoton EA7686-S

Сообщение MVV »

Не могу добавить сюда pdf, но service manual можно найти, в нем 2 варианта предварительного усилителя. Эти элементы отсутсвовали изначально.

MVV
Не в сети
Сообщения: 3
Зарегистрирован: Чт фев 12, 2026 5:46 pm
Город: Уфа

Усилитель Videoton EA7686-S

Сообщение MVV »


Не в сети
Аватара пользователя
Сообщения: 54
Зарегистрирован: Вс фев 01, 2026 4:47 pm
Город: Mосква

Усилитель Videoton EA7686-S

Сообщение Andreas »

Вот кусок схемы, который видеотоновци выкинули, изладив гоночный вариант усилителя.
_________________
С уважением,
Андрей.
Ответить

Вернуться в «Продажа импортной радиотехники»