Неисправность в р\п "Grundig Concery Boy"

Ответить
  • Автор
  • Сообщение
Не в сети
Сообщения: 97
Зарегистрирован: Ср янв 28, 2026 11:44 am
Город: Москва

Неисправность в р\п "Grundig Concery Boy"

Сообщение Москвич »

Вот есть у меня такой радиоприёмник.
ФМ работает прекрасно.
А вот ДВ-СВ-КВ ( ну т.е. АМ диапазоны) вообще не работают.
В динамике тишина - нет даже шума.
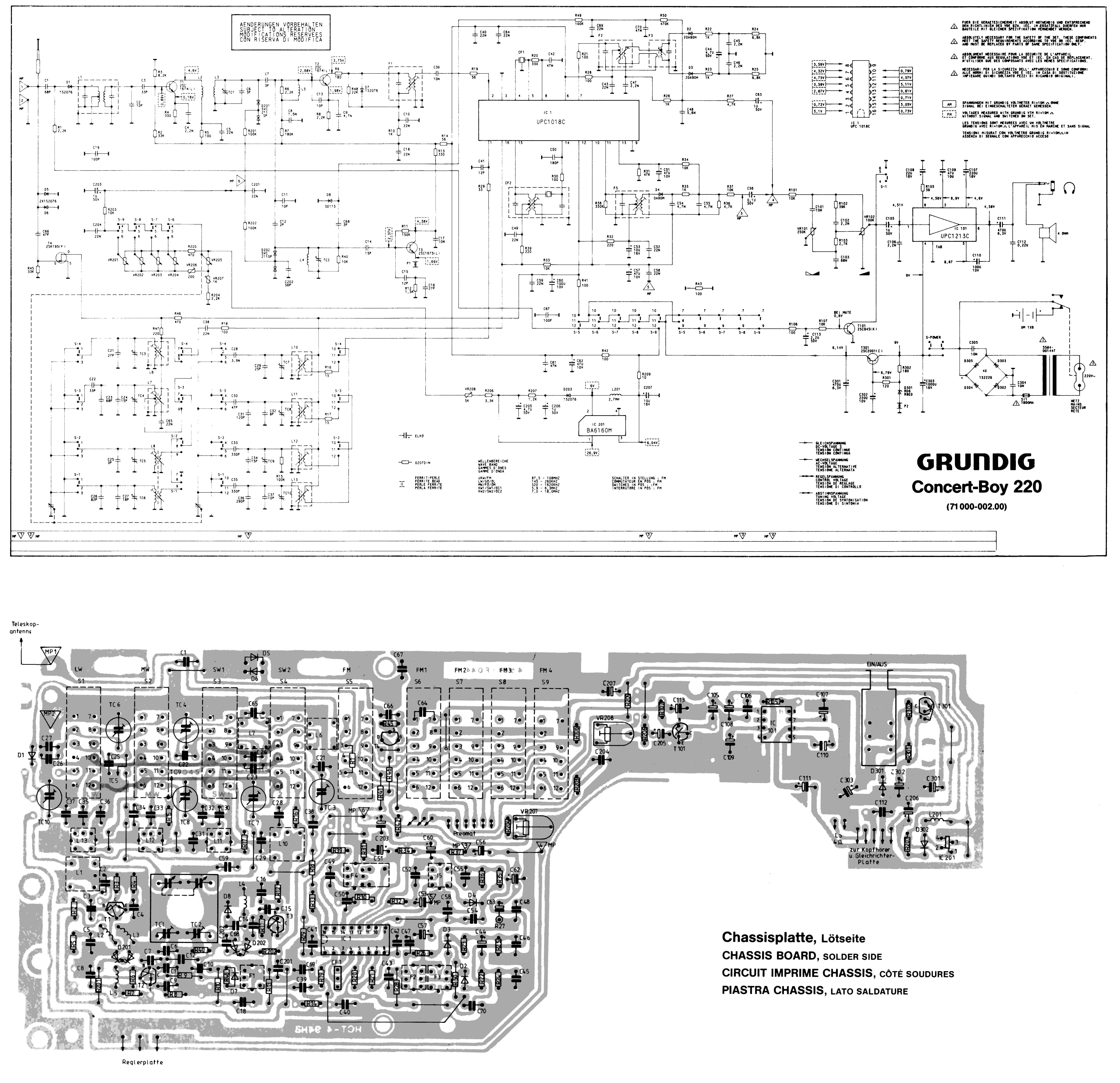
Схему и плату добыл.
в приёмнике всего 6 транзисторов - два из них в ФМ блоке, один на антенном входе, один на управлении варикапами, один в стабилизаторе напряжения и один на входе УНЧ ( перед микросхемой УНЧ)
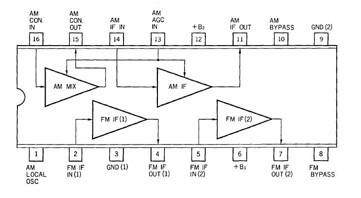
Весь ПЧ тракт ( как АМ так и ФМ) собран на одной микросхеме UPC1018C
Если бы микросхема погорела - то и ФМ бы не работал.
Что там могло погореть - ведь транзисторов в тракте ПЧ АМ нету.
==

Не в сети
Аватара пользователя
Сообщения: 22
Зарегистрирован: Чт фев 05, 2026 11:03 pm
Город: Москва и М.О.

Неисправность в р\п "Grundig Concery Boy"

Сообщение Точка Опоры »

Москвич писал(а): Сб фев 21, 2026 2:29 pm Весь ПЧ тракт ( как АМ так и ФМ) собран на одной микросхеме UPC1018C
Таки - нет, в микросхеме раздельные тракты с переключением по питанию: https://www.kn34pc.com/construct/v_terz ... asheet.pdf


Я-бы - начал с проверки коммутации переключателя диапазонов (секции 5-9) и наличия питания на АМ секции (C60).

Не в сети
Сообщения: 97
Зарегистрирован: Ср янв 28, 2026 11:44 am
Город: Москва

Неисправность в р\п "Grundig Concery Boy"

Сообщение Москвич »

Спасибо. Буду пробовать.

Не в сети
Сообщения: 97
Зарегистрирован: Ср янв 28, 2026 11:44 am
Город: Москва

Неисправность в р\п "Grundig Concery Boy"

Сообщение Москвич »

Точка Опоры,
Спасибо за подсказку.
ПОЧИНИЛ !!!!
Проблема была в переключателе - видимо окислился контакт и не было напряжения ни на С60, ни на 12 ножке микросхемы.
А переключатели там стоят - похожие как отечественные П2К
Брызнул в него из баллончика очиститель контактов - и всё, контакт появился, АМ диапазоны все заработали.
--
Ну понятно, что там слушать нечего......но всё равно - люблю чтоб всё в аппарате работало.

Не в сети
Сообщения: 97
Зарегистрирован: Ср янв 28, 2026 11:44 am
Город: Москва

Неисправность в р\п "Grundig Concery Boy"

Сообщение Москвич »

Вот этот приёмник.
Достался мне без ручки переноски.
Но..я летом на дачной помойке нашёл сильно разбитую "Спидолу-231" - вот ручка от ней и пригодилась.
==
Аппарат отлично и очень громко ( даже избыточно громко) работает. :ura:
==

==
==
Если аппарат интересен кому - могу обменять его на 7 журналов "Радиофронт"
Вот только на эти:

1930г - № 22, 23\24, 26\27
1932г - № 10, 11
1939г - № 1, 3
-----
Естественно интересуют только оригиналы - ксерокопии и задаром не нужны.

Не в сети
Сообщения: 97
Зарегистрирован: Ср янв 28, 2026 11:44 am
Город: Москва

Неисправность в р\п "Grundig Concery Boy"

Сообщение Москвич »

Фотки опять не грузятся.... :stesn:

Не в сети
Сообщения: 97
Зарегистрирован: Ср янв 28, 2026 11:44 am
Город: Москва

Неисправность в р\п "Grundig Concery Boy"

Сообщение Москвич »

Фотки опять не грузятся.... :stesn:
Ответить

Вернуться в «Помощь начинающим»